Kia Carens: Seat Electrical / Seat Heater (Air Ventilation) Schematic diagrams

Kia Carens RP (2013-2018) Service Manual / Body Electrical System / Seat Electrical / Seat Heater (Air Ventilation) Schematic diagrams

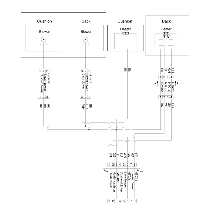
Circuit Diagram

Seat Heater (Air Ventilation) Components and components location
Components ...

Seat Heater (Air Ventilation) Repair procedures
Inspection Front Seat 1. Check for continuity and measure the resistance between terminals. No. Descript ...

Other information:

Kia Carens RP (2013-2018) Owners Manual: Auto stop indicator


This indicator will illuminate when the engine enters the Idle Stop mode of the ISG (Idle Stop and Go) system. When the automatic starting occurs, the auto stop indicator on the cluster will blink for 5 seconds. ✽ NOTICE When the engine automatically starts by the ISG system, some warning light ...

Kia Carens RP (2013-2018) Service Manual: Yaw-rate and G Sensor Description and operation


Description When the vehicle is turning with respect to a vertical axis the yaw rate sensor detects the yaw rate electroniclly by the vibration change of plate fork inside the yaw rate sensor. If yaw velocity reaches the specific velocity after it detects the vehicle'y ...

Copyright © www.kicaman.com 2015-2026