Kia Carens: Automatic Transaxle Control System / 35R Clutch Control Solenoid Valve(35R/C_VFS) Repair procedures
| 1. |
Turn ignition switch OFF.
|
| 2. |
Remove the air cleaner assembly.
(Refer to Engine Mechanical System - "Air Cleaner")
|
| 3. |
Disconnect the solenoid valve connector (A).

|
| 4. |
Measure the resistance between power terminal (10) and signal terminal
(6).
|
Specification : 5.1 ± 0.3 Ω
|

|
| • |
Maintain clean condition so that foreign substance does not
get into the automatic transaxle.
|
| • |
Use a coated apron, latex gloves, and stainless tray to prevent
foreign substance from getting into the transaxle.
|
|
| 1. |
Remove the under cover.
(Refer to Engine Mechanical System - "Engine Room Under Cover")
|
| 2. |
Remove the ATF drain plug (A), allow the fluid to drain out and then
reinstall the drain plug.
|
Tightening torque:
33.3 ~ 43.1 N.m (3.4 ~ 4.4 kgf.m, 24.6 ~ 31.8 lb-ft)
|

| •
|
The existing ATF drain plug gasket must be replaced
with a new one. (Do not reuse it.)
|
| •
|
ATF can be reused. Collect it in a clean beaker.
|
|
|
| 3. |
Remove the air cleaner assembly.
(Refer to Engine Mechanical System - "Air Cleaner")
|
| 4. |
Remove the bracket (A) and the air breather hose (B).
|
Tightening torque:
9.8 ~ 11.8 N.m (1.0 ~ 1.2 kgf.m, 7.2 ~ 8.7 lb-ft)
|

|
| 5. |
Lift the vehicle after loosening valve body cover upper bolts.
|
| 6. |
Remove the valve body cover (A) by loosening bolts.
|
Tightening torque:
11.8 ~ 13.7 N.m (1.2 ~ 1.4 kgf.m, 8.7 ~ 10.1 lb-ft)
|

|
| 7. |
Remove the solenoid valve harness (A) and oil temperature sensor (B)
after removing the bolts.
|
Tightening torque:
9.8 ~ 11.8 N.m (1.0 ~ 1.2 kgf.m, 7.2 ~ 8.7 lb-ft)
|

|
| 8. |
Remove solenoid valve support bracket (A).
|
Tightening torque:
9.8 ~ 11.8 N.m (1.0 ~ 1.2 kgf.m, 7.2 ~ 8.7 lb-ft)
|

|
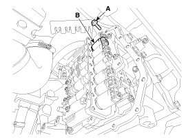
| 9. |
Remove the 35R clutch control solenoid valve (B) after loosening a valve
body mouning bolt (A).
|
Tightening torque:
9.8 ~ 11.8 N.m (1.0 ~ 1.2 kgf.m, 7.2 ~ 8.7 lb-ft)
|

|
| 1. |
Install in the reverse order of removal.
|
The existing valve body cover gasket (A) must be replaced with
a new one. (Do not reuse it.)

|
|
| 2. |
Perform the procedures below after installing.
| (1) |
Refill the automatic transaxle with fluid.
(Refer to Hydraulic System - "Fluid")
|
| (2) |
Clear the diagnostic trouble codes (DTC) using the KDS/GDS.
Disconnecting the battery negative terminal will not clear the
DTCs. Clear DTCs using the KDS/GDS at all times.
|
| (3) |
Reset the automatic transaxle adaptive values using the KDS/GDS.

|
| (4) |
Perform the TCM adaptive values learning procedure.
(Refer to Automatic Transaxle Control System - "Adjustment")
|
| (5) |
After installing, check for leakage of coolant or fluid from
hose connection during engine start.
|
|
Specification
Item
Specification
Control type
N/L (Normal Low)
Control pressure kpa(kgf/cm², psi)
...
Other information:
Components
1. BJ
assembly
2. BJ circlip
3. BJ boot band
4. BJ boot
5. Dynamic
damper band
6. Dynamic damper
7. Shaft
8. TJ boot band
9. TJ
boot
10. Spider assembly
11. Snap ring
12. TJ housing
13. TJ ...
Removal
Cushion Blower
1.
Remove the front seat assembly.
(Refer to Body - "Front Seat Assembly")
2.
Remove the cushion blower (A) after loosening the screws and disconnecting
the connector.
...