Kia Carens: BCM (Body Control Module) / Schematic diagrams

Kia Carens RP (2013-2018) Service Manual / Body Electrical System / BCM (Body Control Module) / Schematic diagrams

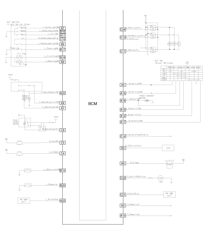
Circuit Diagram

Components and components location
Components Connector Pin Information No. Connector A Connector B Connector C 1 Battery (+) ...

Description and operation
Description Communication Network Diagram Function Function Description Input Output FRONT ...

Other information:

Kia Carens RP (2013-2018) Owners Manual: Manual heating and air conditioning


The heating and cooling system can be controlled manually by pressing buttons or turning knob(s) other than the AUTO button. In this case, the system works sequentially according to the order of buttons or knob(s) selected. 1.Start the engine. 2.Set the mode to the desired position. To improve the ...

Kia Carens RP (2013-2018) Owners Manual: Anti-lock brake system (ABS)


WARNING ABS (or ESC) will not prevent accidents due to improper or dangerous driving maneuvers. Even though vehicle control is improved during emergency braking, always maintain a safe distance between you and objects ahead. Vehicle speeds should always be reduced during extreme road conditions. ...

Copyright © www.kicaman.com 2015-2026