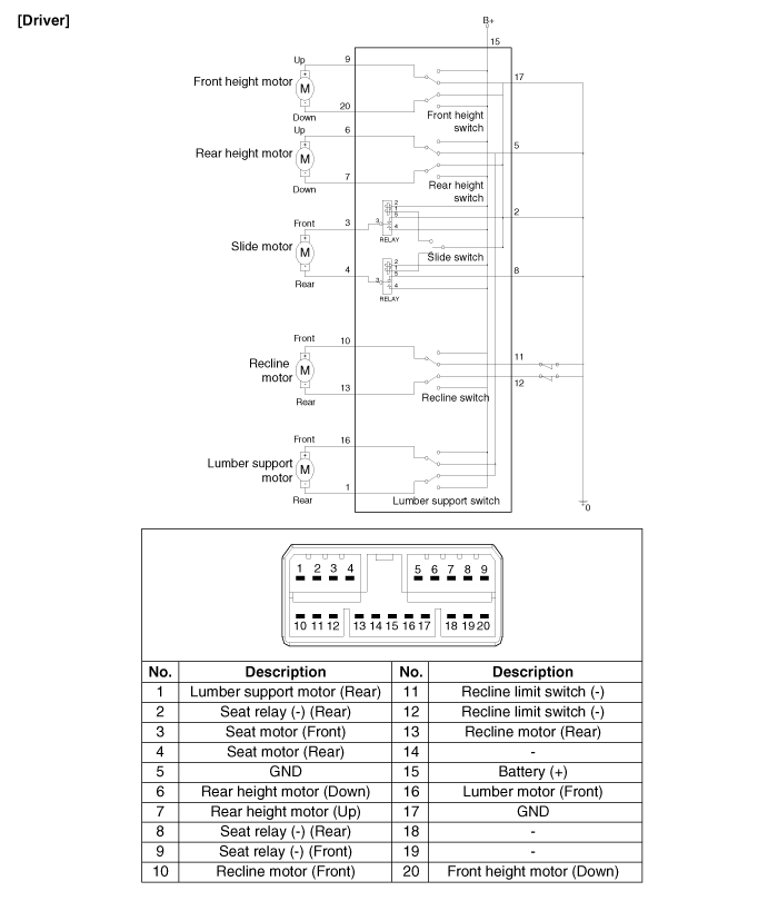
Kia Carens: Seat Electrical / Power Seat Control Switch Schematic diagrams


Inspection
Power Seat Motor
1.
Disconnect the connectors for each motor.
(Refer to Body - "Front Seat Assembly")
A : Slide motor
...
Inspection
1.
With the power seat switch in each position, make sure that continuity
exists between the terminals below. If continuity is not as specified,
r ...
Other information:
Components
1. Front roof side moulding [RH]
2. Front roof side moulding [LH]
3. Rear roof side moulding [RH]
4. Rear roof side moulding [LH]
5. Front glass
6. Movable glass
7. Rear glass
8. Decoration cover
9. Panorama sunroof frame ...
Inspection
Inspect the following items by referring to inspection flow chart.
(Refer to Inhibitor Switch - "Troubleshooting")
1.
Check the diagnostic trouble c ...