| TCM connector and terminal function |

| TCM Terminal Function |
|
Pin |
Description |
Pin |
Description |
|
22 |
Overdrive clutch control solenoid valve (OD/C_VFS) |
73 |
Inhibitor switch signal "S4" |
|
23 |
Pressure control solenoid (VFS-LINE) |
74 |
Inhibitor switch signal "S2" |
|
26 |
ON/OFF solenoid valve B (SS-B) |
75 |
Inhibitor switch signal "S3" |
|
37 |
Sports mode up switch |
87 |
Solenoid power 1 |
|
38 |
Sports mode select switch |
88 |
Solenoid power 2 |
|
39 |
Oil temperature sensor (+) |
89 |
ON/OFF solenoid valve A (SS-A) |
|
43 |
Underdrive brake control solenoid valve (UD/B_VFS) |
94 |
Inhibitor switch signal "S1" |
|
44 |
35R clutch control solenoid valve (35R/C_VFS) |
95 |
Output speed sensor power |
|
45 |
Torque converter control solenoid (T/CON_VFS) |
96 |
Input speed sensor power |
|
46 |
26 brake control solenoid valve (26/B_VFS) |
99 |
Input speed sensor signal |
|
58 |
Sports mode down switch |
100 |
Output speed sensor signal |
|
59 |
Oil temperature sensor (-) |
|
|
|
Pin |
Description |
Pin |
Description |
|
1 |
GND (Power) |
5 |
VB (Battery voltage) |
|
2 |
GND (Power) |
60 |
CAN High |
|
3 |
VB (Battery voltage) |
68 |
IG.1 ( Ignition key) |
|
4 |
Ground (Power) |
77 |
CAN Low |
| TCM Terminal input/ output signal |
|
Pin |
Description |
Condition |
Input/output value |
|
|
Type |
Level |
|||
|
22 |
Overdrive clutch control solenoid valve (OD/C_VFS) |
- |
Output |
0V/Battery voltage level |
|
9V < Battery voltage level < 16V |
||||
|
23 |
Line pressure control solenoid valve (LINE_VFS) |
- |
Output |
0V/Battery voltage level |
|
9V < Battery voltage level < 16V |
||||
|
26 |
ON/OFF solenoid valve B(SS-B) |
High |
Output |
0V/Battery voltage level |
|
Low |
9V < Battery voltage level < 16V |
|||
|
37 |
Sports mode up switch |
Up ON |
Input |
0V/Battery voltage level |
|
Other |
9V < Battery voltage level < 16V |
|||
|
38 |
Sports mode select switch |
Sport mode |
Input |
0V/Battery voltage level |
|
Other |
9V < Battery voltage level < 16V |
|||
|
39 |
Oil temperature sensor (+) |
ON |
Input |
0V/3.3V |
|
OFF |
||||
|
43 |
Underdrive brake control solenoid valve (UD/B_VFS) |
- |
Output |
0V/Battery voltage level |
|
9V < Battery voltage level < 16V |
||||
|
Power supply : V_SOL2 |
||||
|
44 |
35R clutch control solenoid valve (35R/C_VFS) |
- |
Output |
0V/Battery voltage level |
|
9V < Battery voltage level < 16V |
||||
|
45 |
Torque converter control solenoid valve (T/CON_VFS) |
- |
Output |
0V/Battery voltage level |
|
9V < Battery voltage level < 16V |
||||
|
46 |
26 brake control solenoid valve (26/B_VFS) |
- |
Output |
0V/Battery voltage level |
|
9V < Battery voltage level < 16V |
||||
|
Power supply : V_SOL2 |
||||
|
58 |
Sports mode down switch |
Down ON |
Input |
0V/Battery
voltage level |
|
Other |
9V < Battery voltage level < 16V |
|||
|
59 |
Oil temperature sensor (-) |
- |
Ground |
0V |
|
73 |
Inhibitor switch signal "S4" |
High |
Input |
0V/Battery voltage level |
|
Low |
9V < Battery voltage level < 16V |
|||
|
74 |
Inhibitor switch signal "S2" |
High |
Input |
0V/Battery voltage level |
|
Low |
9V < Battery voltage level < 16V |
|||
|
75 |
Inhibitor switch signal "S3" |
High |
Input |
0V/Battery voltage level |
|
Low |
9V < Battery voltage level < 16V |
|||
|
89 |
ON/OFF solenoid valve A (SS-A) |
High |
Output |
0V/Battery voltage level |
|
Low |
9V < Battery voltage level < 16V |
|||
|
94 |
Inhibitor switch signal "S1" |
High |
Input |
0V/Battery voltage level |
|
Low |
9V < Battery voltage level < 16V |
|||
|
95 |
Output speed sensor power |
ON |
Power |
0V/7.5V |
|
OFF |
||||
|
96 |
Input speed sensor power |
ON |
Power |
0V/7.5V |
|
OFF |
||||
|
99 |
Input speed sensor signal |
High |
Input |
0.7V/1.4V |
|
Low |
||||
|
100 |
Output speed sensor signal |
High |
Input |
0.7V/1.4V |
|
Low |
||||
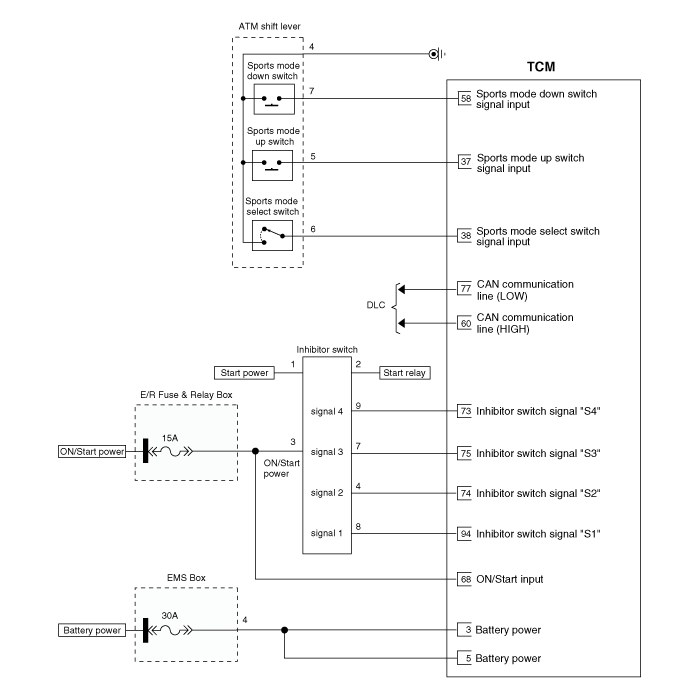
| Circuit Diagram |


Transaxle Control Module (TCM) Description and operation
Transaxle Control Module (TCM) Repair procedures