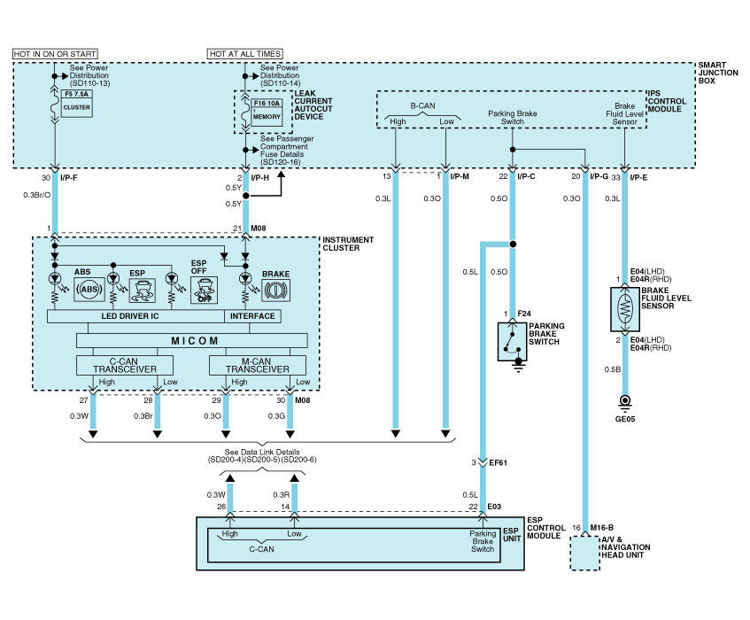
| Circuit Diagram - ESP (1) |

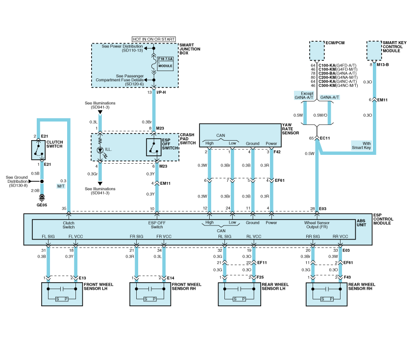
| Circuit Diagram - ESP (2) |

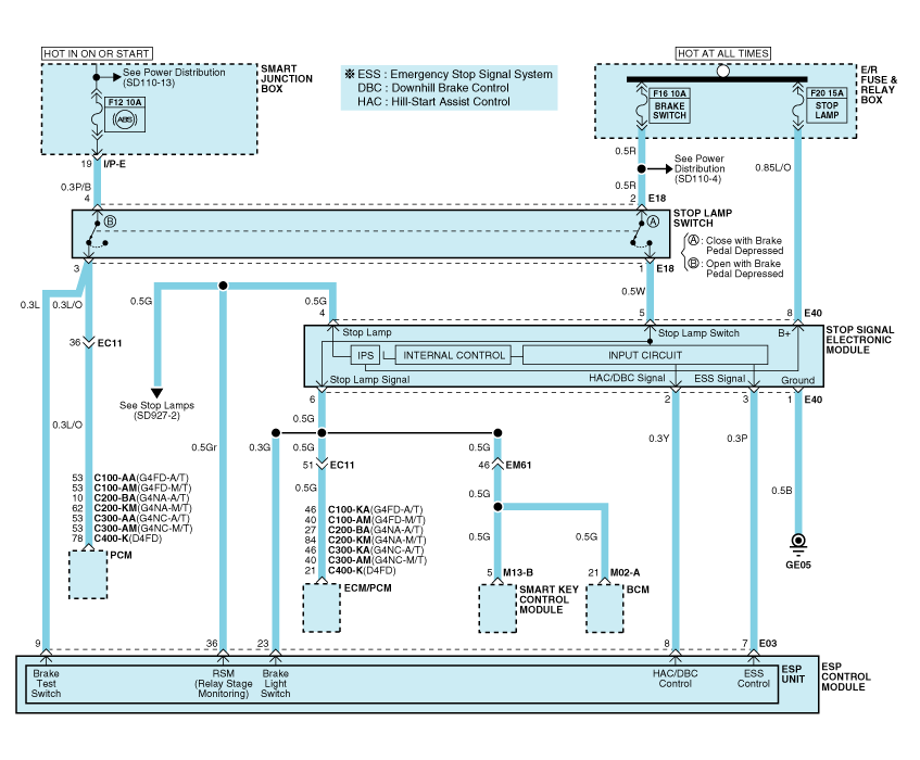
| Circuit Diagram - ESP (3) |

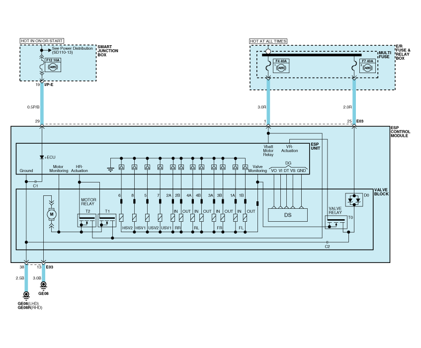
| Circuit Diagram - ESP (4) |

| ESP connector input/output |

|
Connector Terminal |
Specification |
Remark |
|
|
No |
Description |
||
|
29 |
IGNITION1(+) |
High level of wake up voltage : 4.5V < V < 16.0V Low level of wake up voltage : V < 2.4V Max. current : I < 50mA |
|
|
25 |
POS. BATTERY 1.(SOLENOID) |
Over voltage range : 17.0 ± 0.5V Operating voltage range : 10.0 ± 0.5V < V < 16.0 ± 0.5V Low voltage range : 7.0 ± 0.5V < V < 9.5 ± 0.5V Max. current : I < 40A Max. leakage current : I < 0.25mA |
|
|
1 |
POS. BATTERY 2.(MOTOR) |
Operating voltage range: 10.0 ± 0.5V < V < 16.0 ± 0.5V Rush current : I < 110A Max current : I < 40A Max leakage current : I < 0.25mA |
|
|
38 |
GROUND |
Rated current : I <550mA Max. current: I < 40A |
|
|
13 |
PUMP MOTOR GROUND |
Rush current : I < 110A Max current : I < 40A |
|
|
11 |
SENSOR GROUND |
Rated current : I <250mA |
|
|
4 |
SENSOR POWER |
Max current Capability : I < 250mA Max voltage : V_BAT1 -0.8V |
|
|
23 |
BRAKE LIGHT SWITCH |
Input voltage (Low) : V < 2V Input voltage (High) : V > 6V Max. Input current : I < 3mA (@12.8V) |
|
|
9 |
BRAKE SWITCH |
||
|
22 |
PARKING BRAKE SWITCH |
Input voltage (Low) : V < 2V Input voltage (High) : V > 6V Max input current : I < 5mA (@12.8V) |
|
|
35 |
CLUTCH SWITCH |
|
|
|
28 |
SENSOR FRONT RIGHT OUTPUT |
External pull up resistance : 1 KΩ < R Output duty :50 ± 20% |
|
|
10 |
ESP ON/OFF SWITCH |
Input voltage (Low) : V < 2V Input voltage (High) : V > 6V Max input current : I <3mA |
|
|
14 |
CAN BUS LINE(LOW) |
Max. Input current : I < 10mA |
|
|
26 |
CAN BUS LINE(HIGH) |
||
|
18 |
SENSOR FRONT LEFT POWER |
Output voltage : V_BAT1 -0.6V ~ V_BAT1 -1.1V Output current : Max 30mA |
|
|
34 |
SENSOR FRONT RIGHT POWER |
||
|
19 |
SENSOR REAR LEFT POWER |
||
|
33 |
SENSOR REAR RIGHT POWER |
||
|
31 |
SENSOR FRONT LEFT SIGNAL |
Input current LOW : 5.9 ~ 8.4mA Input current HIGH : 11.8 ~ 16.8mA Frequency range : 1 ~ 2500Hz Input duty : 50 ± 10% |
Typ. 7mA Typ. 14mA |
|
21 |
SENSOR FRONT RIGHT SIGNAL |
||
|
32 |
SENSOR REAR LEFT SIGNAL |
||
|
20 |
SENSOR REAR RIGHT SIGNAL |
||
|
12 |
CAN SENSOR LINE (HIGH) |
Max. input current : I < 10mA |
|
|
24 |
CAN SENSOR LINE (LOW) |
||
|
7 |
ESS RELAY DRIVE |
Max. current : I < 180mA Max. output low voltage : V< 1.2 V |
|
|
8 |
HAC RELAY DRIVE |
||
|
36 |
RELAY STATE MONITORING |
Input voltage (Low) : V < 2V Input voltage (High) : V > 6V Max input current : I < 10mA (@12.8V) |
|
Description and operation
Troubleshooting