Kia Carens: Tire Pressure Monitoring System / Schematic diagrams


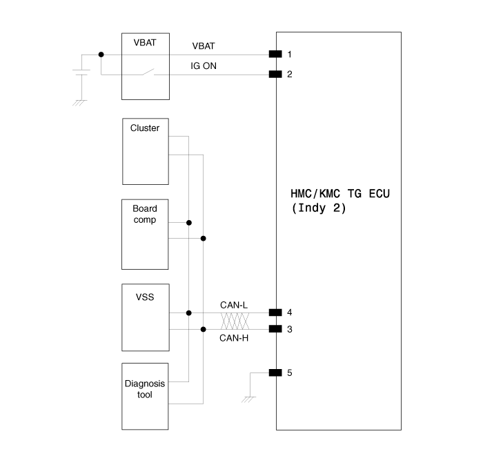
Pin No.
|
Description
|
1
|
V_BAT_ECU
|
2
|
IG_ON
|
3
|
CAN High
|
4
|
CAN_Low
|
5
|
GND
|
6
|
NA
|
Components
1. Receiver
2. TPMS Sensor
3. TPMS Sensor
4. TPMS Sensor
5. TPMS Sensor
...
Description
TREAD Lamp
–
Tire Under Inflation / Leak Warning.
1.
Turn on condition
•
W ...
Other information:
Replacement
[Removal]
•
Put on gloves to protect your hands.
•
...
Disassembly
•
Use fender covers to avoid damaging painted surfaces.
•
To avoid damaging the cylinder head, wait until the engine coola ...