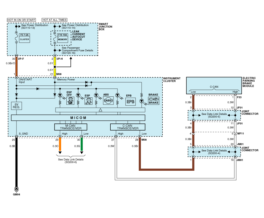
Kia Carens: Parking Brake System / Electronic Parking Brake (EPB) Schematic diagrams



| EPB connector input/output |

Pin No.
|
Function
|
Pin No.
|
Function
|
1
|
CAN_High
|
21
|
EPB switch signal 3
|
2
|
CAN_Low
|
22
|
-
|
3
|
-
|
23
|
-
|
4
|
-
|
24
|
-
|
5
|
-
|
25
|
-
|
6
|
Neutral switch (MT only)
|
26
|
-
|
7
|
-
|
27
|
EPB switch signal 2
|
8
|
Clutch sensor signal (MT only)
|
28
|
-
|
9
|
-
|
29
|
EPB switch signal 4
|
10
|
-
|
30
|
-
|
11
|
-
|
31
|
-
|
12
|
-
|
32
|
-
|
13
|
-
|
33
|
Rear left caliper motor -
|
14
|
-
|
34
|
Ground
|
15
|
-
|
35
|
Ground
|
16
|
-
|
36
|
Rear right caliper motor -
|
17
|
-
|
37
|
Rear right caliper motor +
|
18
|
Ignition 1
|
38
|
Rear left caliper motor +
|
19
|
EPB switch signal 1
|
39
|
Rear right motor power
|
20
|
-
|
40
|
Rear left motor power
|
Description
The EPB is an electronic parking brake.
The EPB is different from existing parking systems which operated with the brake
pedal or the lever type. The EPB system se ...
Removal
1.
Turn ignition OFF and disconnect the negative (-) battery cable.
2.
Remove the floor console assembly.
(Refer to ...
Other information:
This gauge indicates the temperature of the engine coolant when the ignition
switch or Engine Start/Stop button is ON.
CAUTION
If the gauge pointer moves beyond the normal range area toward the “130 or
H” position, it indicates overheating that may damage the engine.
Do not continue driving w ...
Replacement
[Second row seat assembly]
(Except Europe and Australia)
[5-seat vehicle]
(LH)
•
Put on gloves to protect your hands.
...