Kia Carens: Charging System / Alternator Schematic diagrams

Kia Carens RP (2013-2018) Service Manual / Engine Electrical System / Charging System / Alternator Schematic diagrams

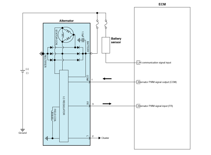
Circuit Diagram

  
COM signal - When controlling the voltage generated, the ECM sends the target voltage data to the alternator via a PWM signal.(High voltage: 4V or higher, low voltage: 2V or lower)
FR signal - The transistor activation signal inside the alternator monitors the voltage generated by the alternator to control the excitation current before it sends the FR signal to the ECM. (At certain RPM/electric loads, the FR duty can remain static. However, more often, the RPM, electric load, target voltage, etc. are always changing in the vehicle, so the FR must also change constantly)
L signal - Turns on the battery warning lamp on the dashboard when the battery charging system malfunctions. (Conditions for turning on the lamp - overcharge, over discharge, a field coil blown inside the alternator)
B+ terminal - The output voltage from the generator travels to the battery via the B+ terminal.
Alternator Components and components location
Components 1. OAD (Overrunning Alternator Decoupler) 2. Front Bracket 3. Front Bearing 4. Stator 5. Rotor 6. Rear Bearing 7. Rear Brack ...

Alternator Repair procedures
Removal 1. Disconnect the battery negative terminal. 2. Loosen the mounting bolts (A) and then, turn the adjusting bolt (B) clockwi ...

Other information:

Kia Carens RP (2013-2018) Owners Manual: To defog inside windshield


1. Set the fan speed to the desired speed. 2. Select desired temperature. 3. Press the button. 4. The air conditioning will turn on according to the detected ambient temperature and outside (fresh) air position will be selected automatically. If the air conditioning is not selected automatically, ...

Kia Carens RP (2013-2018) Service Manual: Camshaft Position Sensor (CMPS) Description and operation


Description Camshaft Position Sensor (CMPS) is a hall sensor and detects the camshaft position by using a hall element. It is related with Crankshaft Position Sensor (CKPS) and detects the piston position of each cylinder which the CKPS can't detect. The CMPS is i ...

Copyright © www.kicaman.com 2015-2026