Kia Carens: Electric Power Steering / Schematic diagrams
MDPS Circuit Diagram

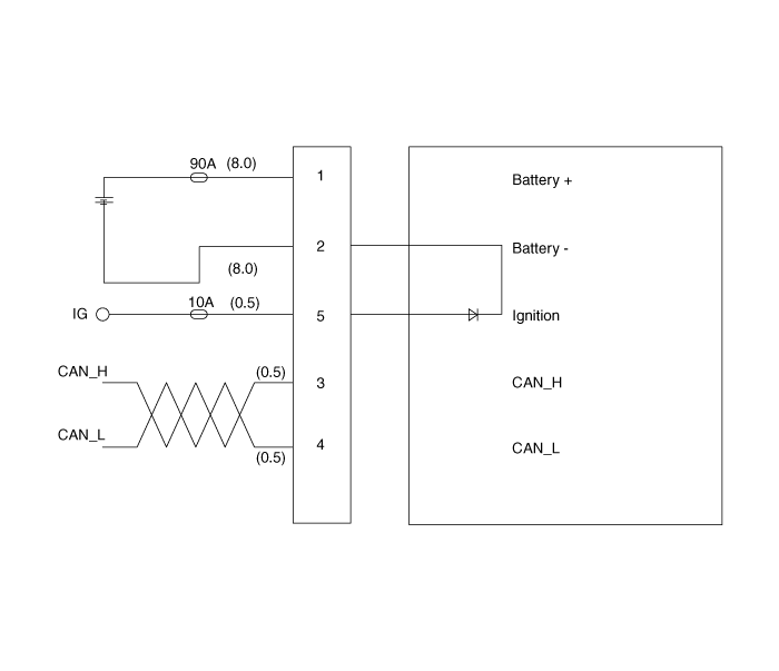
Harness Connector

Connector
|
Pin no
|
Pin name
|
Battery
|
1
|
Battery +
|
2
|
Battery -
|
Vehicle signal
|
1
|
Igntion
|
2
|
-
|
3
|
-
|
4
|
-
|
5
|
-
|
6
|
-
|
7
|
CAN_High
|
8
|
CAN_Low
|
Components
1. Steering
column assembly
2. Universal joint assembly
3. Steering
gear box
...
Description
EPS (Electric power steering, Column assist type) system uses an electric motor
to assist the steering force and it is an engine operation independent steering
syste ...
Other information:
Inspection
1.
Turn the ignition switch OFF.
2.
Disconnect the IATS connector.
3.
Measure resistance between the IATS terminals 3 and 4.
4.
Check that the resistance is within ...
Self Diagnosis
1.
Self-diagnosis process
2.
How to read self-diagnostic code
After the display panel blinks three times every 0.5 second, the corresponding
fault code blinks on the setup temperature display panel e ...