| Circuit Diagram - ABS (1) |

| Circuit Diagram - ABS (2) |

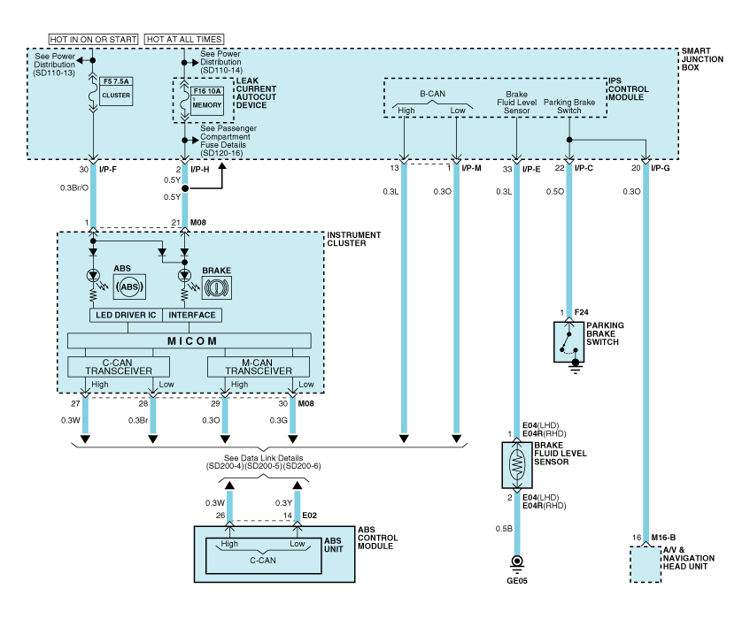
| Circuit Diagram - ABS (3) |

| Circuit Diagram - ABS (4) |

| ABS connector input/output |

|
Connector Terminal |
Specification |
|
|
No |
Description |
|
|
29 |
IGNITION1(+) |
High level of wake up voltage : 4.5V < V < 16.0V Low level of wake up voltage : V < 2.4V Max. current : I < 50mA |
|
25 |
POS. BATTERY 1.(SOLENOID) |
Over voltage range : 17.0 ± 0.5V Operating voltage range : 10.0 ± 0.5V < V < 16.0 ± 0.5V Low voltage range : 7.0 ± 0.5V < V < 9.5 ± 0.5V Max. current : I < 25A Max. leakage current : I < 0.25mA |
|
1 |
POS. BATTERY 2.(MOTOR) |
Operating voltage range: 10.0 ± 0.5V < V < 16.0 ± 0.5V Rush current : I < 110A Max current : I < 40A Max leakage current : I < 0.25mA |
|
38 |
GROUND |
Rated current : I <550mA Max. current: I < 25A |
|
13 |
PUMP MOTOR GROUND |
Rush current : I < 110A Max current : I < 40A |
|
23 |
BRAKE LIGHT SWITCH |
Input voltage (Low) : V < 2V Input voltage (High) : V > 6V Max. Input current : I < 3mA (@12.8V) |
|
28 |
SENSOR FRONT RIGHT OUTPUT |
External pull up resistance :1 KΩ < R Output duty :50 ± 20% |
|
14 |
CAN BUS LINE(LOW) |
Max. Input current : I < 10mA |
|
26 |
CAN BUS LINE(HIGH) |
|
|
18 |
SENSOR FRONT LEFT POWER |
Output voltage : V_BAT1 -0.6V ~ V_BAT1 -1.1V Output current : Max 30mA |
|
34 |
SENSOR FRONT RIGHT POWER |
|
|
19 |
SENSOR REAR LEFT POWER |
|
|
33 |
SENSOR REAR RIGHT POWER |
|
|
31 |
SENSOR FRONT LEFT SIGNAL |
Input current LOW : 5.9 ~ 8.4mA Input current HIGH :11.8 ~ 16.8mA Frequency range :1 ~ 2500Hz Input duty : 50 ± 10% |
|
21 |
SENSOR FRONT RIGHT SIGNAL |
|
|
32 |
SENSOR REAR LEFT SIGNAL |
|
|
20 |
SENSOR REAR RIGHT SIGNAL |
|
Description and operation
Troubleshooting